アウトドア好きの母娘が心地よく暮らす、収納と動線を整えたマンションリノベーション

- 工事内容
- 間取り変更・キッチン・お風呂・洗面・洋間・収納
- お客様名
- I様
- 施工エリア
- 広島市
- リフォーム期間
- 約2ヶ月
- 費用
- 約750万円
お客様のお悩み・ご要望
今回のリフォームでは、長年の暮らしの中で感じていた不便さを解消し、 家全体をより快適で使いやすい空間にしたいというご希望をいただきました。 まず、キッチンは吊り戸棚による圧迫感や暗さを改善し、 リビングとひとつながりに感じられる開放的なLDKにしたいというご要望がありました。 また、ご家族の趣味であるアウトドア用品をすっきりと収納できるよう、 玄関を入ってすぐの場所に大容量のストレージを設けたいというご希望も。 さらに、水まわりでは、限られたスペースの中でも 「洗濯物を干すことができるランドリースペースを洗面室内に確保したい」とのご要望をいただきました。 そして個室まわりでは、洋室を2部屋確保しつつ、 衣類をまとめて整理できるウォークインクローゼットを設置し、 収納効率を高めながら家事負担を軽減したいというご希望をお持ちでした。 これらのご要望をもとに、空間の使い方や動線を見直し、 明るく快適で“暮らしやすい住まい”を目指したプランニングを行いました。
ご提案させていただいた
リフォームプラン
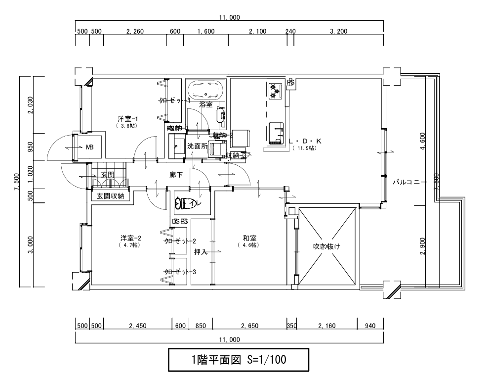
今回のリノベーションのポイントは、「動線の中心に収納を置く設計」。 ご家族の趣味がアウトドア中心であることを踏まえ、玄関を入ってすぐの場所に約2・5畳の収納を新設しました。 キャンプ用品や折りたたみチェア、クーラーボックスなど、外で使う道具をまとめて収納できる“土間感覚のスペース”として設計。 帰宅後すぐに片付けができ、リビングに物を持ち込まない生活動線を実現しました。 また、洗面所を一回り広く取り、ランドリースペースを兼ねたユーティリティ空間へと変更。 室内干し用のバーや収納棚を備え、洗う・干す・畳むの一連の家事動線を短縮しました。 忙しい日常でも家事がスムーズにこなせるように工夫しています。 さらに、洋室2部屋の間にはウォークインクローゼットを新設。 どちらの部屋からも出入りできる“2WAY動線”とし、衣類や小物を効率よく収納できる間取りに変更しました。 季節ごとの衣替えもスムーズになり、家全体の収納バランスが大きく改善。 これにより、LDKはすっきりとした印象になり、以前よりも広がりを感じる空間へと生まれ変わりました。
リビング 施工前
ワンちゃんと一緒に過ごす温かなリビング。 明るく居心地の良い空間ですが、やや手狭に感じられていました。 「ペットと一緒に快適に過ごせるよう、すっきりとしたリビングにしたい」というご希望もありました。
リビング 施工中
マンションリノベーションでは、まず既存の設備や間仕切り壁をすべて撤去し、 住まい全体をスケルトン状態にしていきます。 新しい間取りや設備に合わせ、給排水設備工事・電気工事・設備設置工事 ・木工事・内装仕上げ工事などそれぞれの専門の職人さんに工事をしていただきます。
リビング 完成
-
After
もともとあったキッチンの吊り戸棚を外したことで、視界が大きく開け、リビング全体がすっきりとした印象に生まれ変わりました。 開放感が増したことで、空間全体に光が届き、以前よりも広がりを感じられる明るいLDKへ。
-
After
床材には、マンションの防音性能にも優れたノダの「カナエル」シリーズを採用。 ワンちゃんの足にもやさしい素材で、滑りにくく傷がつきにくいため、ペットと暮らすご家庭にも安心です。 防音性とメンテナンス性を両立しながら、自然な木の風合いを楽しめる点もポイントです。
-
After
廊下からリビングへ続く扉は、開き戸から引き戸へ変更しました。さらに、引き戸の横の壁面にはニッチ(飾り棚)を新設。お好きな雑貨や季節の小物を飾る楽しみが増えました。
-
After
リビングの天井と、梁や配管スペースには、アクセントクロスを使用しました。 構造上の制約をデザインとして活かし、空間に表情と奥行きを持たせています。 白を基調とした室内にあたたかみを添えながら、 視線が自然に天井方向へ抜けることで、空間の広がりを感じさせます。
キッチン 施工前
キッチン上部に吊り戸棚があったことで、視界がさえぎられ、 リビングとのつながりや空間の一体感に少し物足りなさを感じていらっしゃいました。 開放的で明るいキッチンにしたいということが大きなご希望でした。
キッチン 施工中
既存のキッチンをすべて撤去しました。 合わせて、キッチンの背面部分にあたる腰壁も新たに造作し直し、 下地の補修や配管工事など、基礎となる部分を丁寧に整えています。 この段階ですでに、吊り戸棚がなくなったことでリビングとのつながりが生まれ、 完成後の開放感ある空間がしっかりと感じられるようになりました。
キッチン 完成
-
After
今回採用したキッチンは、TOTO「ミッテ」(幅2400mm)です。すっきりとしたデザインと、毎日の使いやすさを両立したモデルで、マンションリノベーションにも人気のシリーズです。日々のお手入れもぐんとラクになります。
-
After
キッチンに立ったときの眺めです。 これまで吊り戸棚で視界が遮られていた空間が開け、 リビング全体を見渡せるようになりました。 実際に立っていただいたお客様も「こんなに広く感じるなんて!」と、とても喜んでくださいました。
-
After
一見すると吊り戸棚がなくなったことで、収納量が減ったようにも見えますが、新しいキッチンは引き出しタイプのキャビネットを採用しており、深さと仕分けやすさが格段に向上。さらに、お持ちだった背面収納を設置することで、調理器具や日用品もスムーズに収まるように工夫しました。
玄関・廊下 施工前
限られた玄関スペースに靴や荷物が集まり、 どうしても狭さや使いにくさを感じるケースが多くあります。 I様邸でも、玄関はコンパクトな造りで、お出かけや帰宅のたびに動線が重なり、 靴の収納や荷物の整理に不便さを感じていらっしゃいました。
玄関・廊下 施工中
もともとは玄関横に収納スペースがありましたが、 その分、隣接する洋室の面積が狭くなっていました。 そこで今回は、玄関収納を撤去し、壁を新設。 その分だけ洋室を広げることで、居室としての快適性を高めました。 また、単に壁を立てるだけではなく、壁の厚みを活用してニッチ(飾り棚)を造作。 玄関ホールに程よいアクセントが生まれ、花や小物などディスプレイを楽しめるスペースとして仕上げました。
玄関・廊下 完成
-
After
収納や間取りを見直したことで、お客様からも「帰ってくるたびに気持ちがいい」と嬉しいお声をいただきました。毎日の始まりと終わりを気持ちよく迎えられる、すっきりとした玄関が完成しました。
-
After
左側の扉を開けると、玄関から直接出し入れできる大容量の収納空間を設けました。 靴やアウトドア用品を気兼ねなく置ける“土間感覚”の仕上がりに。機能性と使いやすさを両立した、アクティブなご家庭にぴったりのストレージ空間です。
-
After
壁の上部には開口を設け、隣接する洗面室にも通風と明るさが届くように工夫しました。この開口により空気の流れが生まれ、湿気がこもりにくくなっています。
-
After
壁面にはOSBボードという構造用下地材を仕上げとしてそのまま使用しました。木片をプレスして作られた独特の表情があり、ラフで温かみのある質感が空間のアクセントになっています。 また、OSBボードは強度が高く、どこにでも釘やフック、棚板を取り付けることが可能。暮らしながら自分仕様にカスタマイズしていけるのが魅力です。
寝室・収納 施工前
リビングに隣接する和室は、いつの間にか季節用品や日用品を置く収納スペースとして使われていました。 お母さまは普段リビングで就寝されていたこともあり、 今回のリノベーションでは、この和室を寝室としても使える洋室へと変更しました。 また、暮らしの中心となるリビングをより広く快適に使えるよう、 洋室側のスペースはあえてコンパクトに再構成。
寝室・収納 施工中
畳を撤去し、下地の調整を行ったうえで、リビングと高さを合わせたフローリング仕上げに変更。 壁と天井は既存の下地を活かしながらも、クロスを張り替えて明るい印象に。 また、和室特有の鴨居や襖を撤去し、洋室ドアを新設していきます。
寝室・収納 完成
-
After
リビング横の和室は、今回のリフォームでお母さまの寝室として生まれ変わりました。畳からフローリングへと仕上げを変えつつも、壁の一面にアクセントクロスを取り入れ、やわらかな和のテイストを感じられる空間にデザインしました。
-
After
こちらは娘さんのお部屋になります。 白を基調とした明るく清潔感のある空間に整えました。 あえて装飾を抑えることで、お持ちの家具やお気に入りの小物でインテリアを自由に楽しめるお部屋に。 暮らしながら少しずつ自分らしいスタイルを作っていける、洋室が完成しました。
-
After
洋室2部屋の間には、ウォークインクローゼットを新設しました。どちらの部屋からも出入りできる2WAY動線。お母さまと娘さんそれぞれの部屋から行き来がしやすく、衣類や小物を効率よく整理・収納できる間取りへと変更しました。季節ごとの衣替えや、共有アイテムの管理もしやすくなりました。
水回り3点 施工前
水まわりは、もともととてもきれいにお使いでしたが、 築22年ということもあり、今後の長い暮らしを見据えて設備機器と配管をすべて一新しました。 見えない部分までしっかりと手を入れることで、 安全性と耐久性を確保し、これからも安心して快適に使えるようにしています。 また、最新の設備機器を採用することで、使い勝手や省エネ性能も向上しました。
水回り3点 施工中
リフォームでは既存のユニットバスを撤去し、 配管の位置や下地の状態を確認したうえで、すべて新しい設備へ交換。 経年劣化による不安を解消し、長く安心して使える浴室へと更新。
水回り3点 完成
-
After
浴室は、LIXIL リノビオVシリーズ Fタイプ(1316サイズ)を採用しました。 マンションリフォーム向けに設計されたモデルで、限られたスペースでもゆったり入浴できる快適性と、 お手入れのしやすさを両立しています。
-
After
洗面化粧台には、LIXIL「ピアラ」(幅1050mm)を採用しました。広々としたボウルと使いやすいカウンター設計が特徴で、朝の身支度や洗濯時のちょっとした作業など、毎日の家事を快適にサポートしてくれます。 水栓は上部に設けられたハイバックガード一体型で、水がたまりにくくお手入れも簡単です。
-
After
洗面室には新たにランドリースペースを確保しました。 洗濯機を置くだけでなく、洗う・干す・畳む・しまうといった一連の動作をこの空間の中で完結できるようにプランしています。 動線が短くなったことで、家事の効率が大幅にアップ。 天候に左右されずに室内干しもできるため、忙しい日や雨の日でも安心です。
-
After
トイレには、TOTO「ZJ2」を採用しました。 すっきりとしたフォルムと、お手入れのしやすさが特徴の人気モデルです。 便器には汚れがつきにくいセフィオンテクト加工が施されており、少ない水でもしっかりと洗浄できる超節水タイプ。フチなし形状で掃除がしやすく、日々のメンテナンスがぐんとラクになります。
お客様の感想
今まで、リビング横の物置部屋に雑多にいろいろな物を収納していましたが、
今回のリノベーションで、それぞれの用途に合わせた大きな収納スペースができ、
住まい全体がすっきりと片付きました。
特に嬉しいのは、アウトドアストッカーと洗面所の間仕切り上部に開口を設けてもらったことです。
これによって、冷暖房の風が洗面室にも届くようになり、
お風呂上がりや洗濯・家事をする際も快適に過ごせています。
動線も良くなり、家の中での過ごし方がより快適になりました。
コバーンからのコメント

この度は、コバーンへマンションリフォームをお任せいただき、誠にありがとうございました。
I様の暮らし方や趣味に合わせて、生活収納と趣味収納をしっかり区分けすることで、
「暮らしがより快適になった」とのお言葉をいただき、スタッフ一同とても嬉しく思っております。
これからも、日々の生活が心地よく続いていくよう、
アフターフォローを含めしっかりとサポートさせていただきます。
今後ともどうぞよろしくお願いいたします。
築22年のマンションにお住まいのI様親子。
お母さまと娘さま二人暮らしで、休日には一緒にキャンプやウィンタースポーツなどのアウトドアを楽しまれています。
自然を感じる趣味の時間が増える中で、家の中にキャンプ用品、季節の道具が少しずつ増えていき、
気がつけば、リビング横の和室が物置部屋として使われていました。
収納しやすさと動線の良さを両立させた空間づくりを目指して、今回のリノベーション計画がスタートしました。